taptap体育APP
联系我们
手 机:19279864570
邮 箱:40045692@qq.com
Q Q:40045692
地 址:上海市奉贤区南桥镇国顺路936号5幢
奥迪、大众等车内门把手为何选用电镀级PC/ABS?

车内门把手的造型包括长条状和扣式门把手,其中长条状门把手为大部分汽车主机厂所喜爱。长条状门把手由于细长,同等材质情况下较扣式门把手更易被拉断;在选材方面,长条状门把手需要考虑选择强度较高的材料,如:电镀PA;扣式门把手则一般选择强度要求不太高的材料,如:电镀PC/ABS。

图表1 长条状内门把手,电镀PA材料

图表2 扣式门把手,电镀PC/ABS
1.ABS树脂

图表3 ABS材质门把手
ABS树脂是车内门把手应用较早。由于力学性能不太好,目前ABS树脂已很少应用到门把手中。车内门把手用ABS树脂分为通用型和耐热型,通用型ABS电镀性能好,耐热型ABS树脂的热变形温度一般为90-105℃,并具有良好的刚性、韧性和流动性。
2.PC
PC为工程塑料,其力学性能优良,但是PC的电镀性能不太好,因而在使用过程中受到了一定的限制。
3.PC/ABS

图表4 帕萨特PC/ABS内门把手(毛胚和电镀件)
PC/ABS树脂是车内门把手发展最快、应用最广的材料。PC/ABS树脂为PC和ABS的合金,它具有PC的高强度和ABS的易电镀性能,主要分为电镀和喷涂两种类型。和喷涂PC/ABS树脂相比,电镀PC/ABS树脂表面更具金属感,看起来更加高档。
4.PC/PBT
PC/PBT是PC与PBT的共混材料,通常共混造料后,以粒料形状供应。PC/PBT保持了结晶材料PBT的耐化学性及易于成型的特点,又兼备了非结晶材料PC的韧性和尺寸稳定性。在国内,PC/PBT用于车内门把手不太多。
5.PA(尼龙)
PA的力学性能优良,但其电镀不够好和吸水是PA应用在车内门把手的两大难题。在国外,如:德国对暴拉力的要求很高,电镀型PA在德系汽车中应用广泛。国内由于PA电镀线的技术不太成熟,故使用情况很少!车内门把手用PA一般分为两类:喷涂型PA和电镀型PA。电镀型PA的组成一般为PA+20%矿物。
目前,市场上超过10万的车,其配置的车内门把手基本上都是电镀型的;其中电镀型PC/ABS受到大部分汽车主机厂的欢迎,包括:大众、奥迪、现代等。
PC/ABS 树脂广泛应用于门把手的原因主要是:综合性能优良。综合性能优良我们重点阐述一下:
1.PC/ABS综合性能优良的原因
表1:PC和ABS的优缺点
|
PC |
ABS |
|
|
优点 |
1.冲击强度高; 2.抗蠕变性和尺寸稳定性好; 3.耐热,透明,吸水率低; 4.介电性能优良等优点。 |
1.电镀性能好; 2.较好的耐化学腐蚀性; 3.良好的加工性; |
|
缺点 |
1.加工流动性差; 2.易应力开裂,容易磨损; 3.对缺口敏感,耐化学药品性差; |
1.耐热和耐候性差; 2.透明度不好; 3.冲击强度较低; 4.拉伸强度较低。 |
我们知道PC是工程塑料,PC的优点有机械强度相对较高、耐热、吸水率低等,但PC电镀效果不太好、加工性能差;ABS为通用塑料,ABS电镀效果好、耐化学腐蚀、加工性能良好,但其机械强度不够、不耐热。
PC/ABS为PC和ABS的合金,PC/ABS结合了两者的优点,因而综合性能优良!
北汽福田的尚红波介绍:“目前大多数内门把手基本都是电镀PC/ABS,就国内情况来说,电镀PC/ABS仍是主流内门把手材料。奥迪及大众将门把手材料由电镀PA改为了电镀PC/ABS材料,其主要原因一个是成本因素,另一个是国内PA电镀线尚不成熟”。主机厂主要以材料标准及制件造型作为选材依据,再根据两款料的特点来进行匹配选择。”
表2:PC/ABS中各组分对电镀和机械强度的影响
|
电镀性能 |
机械强度 |
|
|
ABS含量增加 |
增强 |
减小 |
|
PC含量增加 |
减弱 |
增大 |
另一方面,PC/ABS中各组分的含量对该塑料的性能影响巨大(如上表所示)!故平衡机械强度和电镀性能,使材料综合性能最佳是一个难点!目前厉害的PC/ABS生产商能够在保证电镀基本要求的条件下,可以做到PC含量非常高;从而能大幅度提高材料的机械强度。
他们是怎么做到的?我们从电镀原理来加以分析
2.如何在各组分不变的情况下,提高电镀性能?

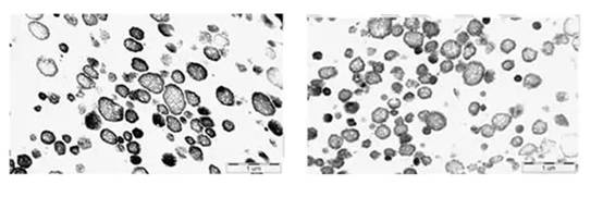
图表5 PC/ABS的TEM照片
(左:PC/ABS HAC8244,右:立镀® (Kingplate®),黑色颗粒为1、3-丁二烯,颗粒周围为SAN+PC连续相)
如上图所示,PC/ABS树脂中的丁二烯橡胶分布在连续相中。和左图相比较,右图丁二烯橡胶分布更加均匀。

图表6 左图:粗化前PC/ABS表面,右图:粗化后PC/ABS表面
化学粗化时,丁二烯橡胶会被腐蚀溶解,从而形成大量的微孔。如果丁二烯橡胶分布更均匀,那么此系列PC/ABS粗化效果好得多。

图表7 粗化放大图
电镀过程即是在塑料表面形成一层金属膜。粗化效果越好,则相同尺寸的条件下PC/ABS表面积越大;表面积越大,塑料和金属层的结合力越大,电镀效果越好!这就是PC/ABS生产商提高电镀性能的秘诀!另外,丁二烯橡胶分布均匀还可以一定程度上提高PC/ABS的机械强度。
目前,国内外生产PC/ABS的厂家虽然有很多,但市场上主流的主要有巴斯夫Basf,Sabic,拜耳Bayer,锦湖日丽,LG等公司。下面列举三个公司常用PC/ABS牌号(标红部分为用于门把手的牌号):
|
类别 |
Bayer |
Sabic |
锦湖日丽 |
|
一般耐热,优异加工性 |
T45,T50XF |
C1000 |
PC/ABSHAC8240 |
|
高耐热 |
T65,T65XF |
C1100 |
PC/ABSHAC8250 |
|
超高耐热 |
T85,T85XF |
C1200,MC8002,XCY620 |
PC/ABSHAC8260 |
|
电镀级 |
T45PG |
MC1300 |
PC/ABSHAC8244 PC/ABSHAC8264 |
|
高耐热,哑光级 |
LG8002 |
PC/ABSHAC8250Z |
|
|
超高耐热,哑光级 |
LG9000 |
PC/ABSHAC8260Z |
|
|
吹塑挤出级 |
MC8100 |
PC/ABSHAC8250B |
|
|
矿物填充,高耐热,尺寸稳定性 |
T95MF |
MC8800 |
PC/ABSHAC8250TC |
|
增强级,10%glassfiber |
T88-2N |
C4210,C4010HF |
HAC5010G |
|
增强级,20%glassfiber |
T88-4N |
C4220 |
HAC5020G |


